Застосування монтажної рами RM
Монтажна рама RM призначена для монтажу радіальних вентиляторів на плоскій покрівлі.
Монтажна рама RM застосовується в якості перехідного елемента між вентилятором і фундаментом спільно з віброопорами для зручного монтажу.
Корпус рами RM виготовлений з оцинкованої сталі.
Спеціальні фланці дозволяють легко і надійно монтувати її на покрівлі.
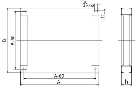
Габаритні і приєднувальні розміри рами монтажної RM:

| Типорозмір | Типорозмір вентилятора | Розміри, мм | Маса, кг не більше | ||
| A | B | h | |||
| RM-20 | VRAN 020 | 400 | 335 | 60 | 3,9 |
| RM-25 | VRAN 025, VRAV 025 | 430 | 355 | 4,2 | |
| RM-28 | VRAN 028, VRAV 028 | 430 | 355 | 4,2 | |
| RM-31 | VRAN 031, VRAV 031 | 530 | 470 | 5,6 | |
| RM-35 | VRAN 035, VRAV 035 | 570 | 510 | 6,1 | |
| RM-40 | VRAN 40, VRAV 40 | 650 | 575 | 7,0 | |
| RM-45 | VRAN 45, VRAV 45 | 700 | 575 | 90 | 8,5 |
| RM-50-1 | VRAN 50 | 800 | 575 | 9,2 | |
| RM-50-2 | VRAV 50 | 1015 | 615 | 11,0 | |
| RM-56 | VRAN 56 | 845 | 600 | 9,7 | |
| RM-63-1 | VRAN 63 | 940 | 600 | 10,4 | |
| RM-63-2 | VRAV 63 | 996 | 640 | 11,1 | |
| Вентилятор радіальний VRAN | Вентилятор радіальний з загнутими вперед лопатками VRAV |
||
![]() |
![]() |
Характеристики
| Основні атрибути | |
|---|---|
| Виробник | ССК ТМ |
| Країна виробник | Україна |
Інформація для замовлення
- Ціна: від 942 ₴





